





tuşuna basılır.


komutuyla kapalı çizgiler bölge haline getirilirler (Şekil 6).

üzerine tıklanarak ekran görünümü izometrik ortama getirilir.
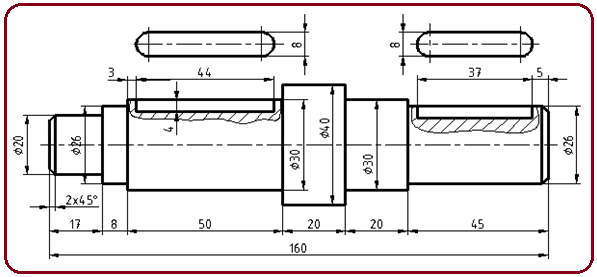
komutuyla 4 mm kalınlık verilerek kama haline dönüştürülürler (Şekil 7). Komut yukarıda anlatılmıştır. Şekil 8’ de kamalar ve mil görülmektedir. 
komutuyla mil üzerindeki ilgili yere taşınırlar. Subtract
komutuyla milden çıkarılırlar.
komutuyla kama çapı 30 mm olan dairenin üst tarafındaki çeyrek noktasına taşınır. Bu nokta referans noktasıdır.
tuşuna basılır.
tıklanarak seçilir (Şekil 9).
görünür. Üzerine gelinip sol tuşla tıklanır ve kama referans noktasına yerleşmiş olur (Şekil 10).


tuşuna basılır.

(Çıkarma) komutuyla kama milden çıkarılır ve sol taraftaki kama kanalı elde edilir (Şekil 12).
(Seçmeyi bitirmek için Enter)
(Seçmeyi bitirmek için Enter) 

komutuyla kama milin sağ tarafındaki çapı 26 mm olan dairesel kısmın pahın bittiği yerdeki çemberin üst tarafındaki çeyrek noktasına taşıyalım. Bu nokta referans noktasıdır.
tuşuna basılır.
tıklanarak seçilir (Şekil 14).
tuşuna basılır. Çeyrek noktanın işareti
görünür. Üzerine gelinip sol tuşla tıklanır ve kama referans noktasına yerleşmiş olur (Şekil 15).
(P3)

tuşuna basılır.
tuşuna basılır. Sağ taraftaki kama mil üzerinde gerçek yerine taşınmış olur (Şekil 16).


(Çıkarma) komutuyla kama milden çıkarılır ve sağ taraftaki kama kanalı elde edilir (Şekil 17).
(Seçmeyi bitirmek için Enter)
(Seçmeyi bitirmek için Enter)